Склепал БП для колонок на 16в, но у него хотя и хватает с головой вольтажа но не хватает мощи. От чего зависит ток в БП, от схемы или от трансформатора?
Мелкие вопросы по БП Вопросы и ответы по блокам питания
Страница 1 из 1
#2
Отправлено 18 April 2012 - 18:20
От трансформатора в первую очередь.
Если хотите, чтобы жизнь улыбалась вам, подарите ей своё хорошее настроение
#4
Отправлено 18 April 2012 - 19:38
Вот эта фраза нуждается в объяснении. Что значит "с головой"? Т.е. больше чем нужно?
Величина питающего напряжения должна в точности соответствовать параметрам применяемых радиокомпонентов, т.е. ни больше, ни меньше...
Цитата
...для колонок на 16в, но у него хотя и хватает с головой вольтажа ...
Готов рассмотреть вопрос о приобретении акустических и электрогитар производства СССР, стран Соц. лагеря, капстран - в рабочем и не совсем состоянии, а так же комплектующие к ним.
#5
Отправлено 18 April 2012 - 19:39
Максимальное питание 20в, минимальное 6в, номинальное 14.4, у меня 16в
#6
Отправлено 18 April 2012 - 20:22
Вот примерно так и нужно описывать свои проблемы... А по чему примерно? Да по тому, что для полноты не хватает:
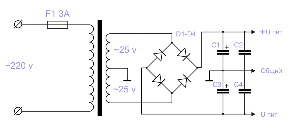
1). Принципиальной схемы, номинальных параметров.
2). Фото готового изделия.
3). Параметров БП ( описание тр-ра, мостика, фильтра, выходное напряжение, допустимая нагрузка по току).
4). Параметры АС, тип исполнения.
1). Принципиальной схемы, номинальных параметров.
2). Фото готового изделия.
3). Параметров БП ( описание тр-ра, мостика, фильтра, выходное напряжение, допустимая нагрузка по току).
4). Параметры АС, тип исполнения.
Готов рассмотреть вопрос о приобретении акустических и электрогитар производства СССР, стран Соц. лагеря, капстран - в рабочем и не совсем состоянии, а так же комплектующие к ним.
#7
Отправлено 04 May 2012 - 15:09
Нужна схема двух полярного блока питания на +-35в под вот такой усь http://cxema.my1.ru/...litel/2-1-0-612
#8
Отправлено 04 May 2012 - 16:44
Схема, пожалуйста...
Если хотите, чтобы жизнь улыбалась вам, подарите ей своё хорошее настроение
Поделиться темой:
Страница 1 из 1
Помощь























